- · 柱式系列
- · 干粉砂浆罐系列
- · 桥式系列
- · 轮辐式系列
- · 悬臂梁式系列
- · 鱼背式系列
- · 轴销式系列
- · S型系列
- · 波纹管系列
- · DG吊钩秤系列
- · 模块系列
- · 仪表-接线盒
- · 配件系列
-
-
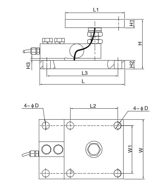
模块系列SBG-402H
| Cap (t) | L | L1 | L2 | L3 | H | H1 | H2 | W | W1 | D |
|---|---|---|---|---|---|---|---|---|---|---|
| 0.5~2 | 180.9 | 127 | 101.6 | 152.4 | 100~120 | 18 | 18 | 127 | 101.6 | 16 |
| 2.5~5 | 215.9 | 127 | 101.6 | 152.4 | 130~150 | 26 | 26 | 127 | 101.6 | 16 |
| 7.5~10 | 286 | 170 | 239 | 239 | 180~200 | 34 | 34 | 127 | 127 | 22 |
















