- · 柱式系列
- · 干粉砂浆罐系列
- · 桥式系列
- · 轮辐式系列
- · 悬臂梁式系列
- · 鱼背式系列
- · 轴销式系列
- · S型系列
- · 波纹管系列
- · DG吊钩秤系列
- · 模块系列
- · 仪表-接线盒
- · 配件系列
-
-
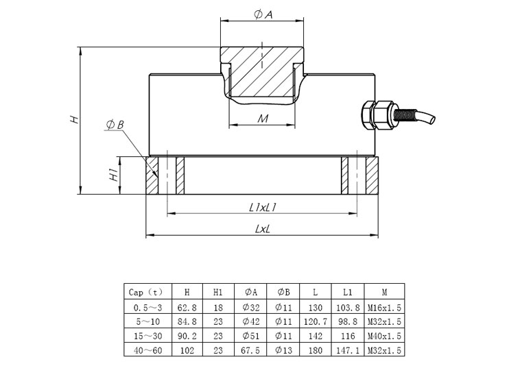
轮辐式系列LP-T
可用于汽车衡、轨道衡、配料秤等称重系统中。

| 技术参数 | |
|---|---|
| 额定载荷 | 0.5t,1t,2t,3t,5t,10t,20t,30t,40t,50t,60t |
| 灵敏度 | 2.0000±0.002mV/V |
| 综合误差 | ±0.02%F.S |
| 蠕变(30分钟) | ±0.02%F.S |
| 推荐工作电压 | 5V~18V(AC或DC) |
| 最大工作电压 | 24V(AC或DC) |
| 零点平衡 | ±1%F.S |
| 输入阻抗 | 775±10Ω |
| 输出阻抗 | 700±5Ω |
| 绝缘阻抗 | ≥5000MΩ |
| 安全过载率 | 150%F.S |
| 极限过载率 | 200%F.S |
| 工作温度范围 | (-30~+70)℃ |
| 温度补偿范围 | (-20~+60)℃ |
| 输出温度影响 | ±0.02%F.S/10℃ |
| 零点温度影响 | ±0.02%F.S/10℃ |
| 材质 | 合金钢 |
| 防护等级 | IP68&IP67 |
| 引用标准 | GB/T7551-2008/OIML R60 |
| 接线方式 | 输入+E:红 输出-S:白 输入-E:黑 输出+S:绿 |
















